你一定在床底下发现过它们:

它们不是乱七八糟散落的沙砾,而是纠缠在一起、蓬松且略带灰色的团块。在英语里,人们给它起了一个听起来莫名可爱的名字:“Dust Bunny”(尘兔)。

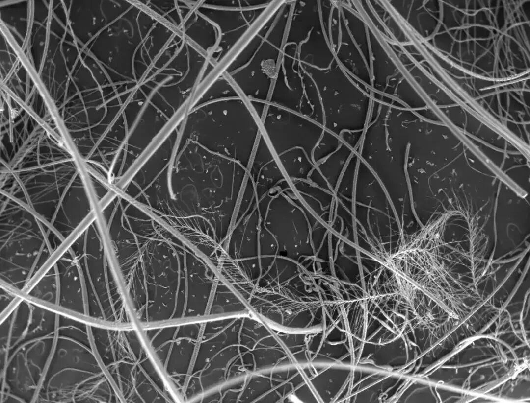
名字可爱,成分一点不可爱。它的核心成分是你的皮屑毛发、你的床单纤维、以及数以百万计的螨虫排泄物。在 40 倍放大镜下,可以看到一团乱七八糟的物质,乍一看非常像是一个长了严重头皮屑的马蜂窝[1]:

所以,这一团毛球怎么絮在一起的?
首先你得知道,你就是它的主要制造商。
一个成年人每天大约脱落0.5到1克皮肤角质细胞 。这些微小的皮屑在气流中飘荡,最终受重力牵引沉降。床铺是你每天停留时间最长的地方,因此床底不仅是睡眠的港湾,也是皮屑的乱葬岗。
但这还不足以形成团块。如果没有粘合剂,灰尘只会均匀地铺在地板上,像一层薄薄的霜。让它们聚集成团的“胶水”,源自一种看不见的生态系统。1981年,《自然》杂志发表的一项研究指出[2],屋尘螨的排泄物,那些直径约20微米的微小颗粒,被一层富含粘性蛋白的粘液包裹 。

当这些具有吸湿性的粪便颗粒落入纤维网中,它们就扮演了水泥的角色,将松散的皮屑、头发和棉絮粘结在一起。核磁共振光谱分析曾对“尘兔”进行过分析,结果显示其光谱特征与烘干机里的线头高度一致,同时混合了大量生物蛋白 。

为什么它们偏偏喜欢床底?
这涉及到室内流体力学中的“停滞点”(Stagnation Point)[3]概念 。
当你在房间里走动,或者空调吹风时,空气在流经地板时会形成边界层。床体作为一个巨大的障碍物[4][5],迫使气流分离。在床底深处,空气流动速度急剧下降,形成了一个流速几乎为零的死水区。
根据流体力学原理,流速降低导致空气携带颗粒的能力丧失,悬浮的灰尘便在此处发生“斯托克斯沉降[6]”,像雨点一样落下。
并且,你睡觉时散发的体热(75-100瓦特)会加热床垫上方的空气,形成热羽流(Thermal Plume)[7] 。

这股上升的热气流会在床面造成局部低压,从而像吸尘器一样,源源不断地把地面冷空气层中的灰尘抽吸进床底。一旦进入这个停滞区,灰尘就再也出不去了[8]。
如果只是堆积,灰尘也就是一堆散沙。让它们变成毛茸茸团块的,是静电和一种被称为“分形生长”的机制[9]。

这正是天体物理学家感兴趣的地方。在行星形成的理论中,有一个被称为“弹跳壁垒”(Bouncing Barrier)的难题[10]:在原行星盘中,微米级的宇宙尘埃可以互相粘连,但当它们长到毫米级时,彼此碰撞就会像台球一样弹开,无法继续变大 。
2007年,IEEE发表的一篇关于“宇宙尘兔”(Cosmic Dust Bunnies)的研究论文[11],揭示了其中的奥秘 。

科学家在微重力实验中发现,尘埃颗粒在碰撞中会产生摩擦电荷。下图中,当在微小玻璃珠微重力舱中被摇晃和抛掷时,它们会通过强静电荷聚集在一起。

这种静电力非常强大,足以克服颗粒间的弹跳,将它们强行拉在一起,形成蓬松、多孔的分形结构。
你床底下的灰尘团,实际上是在重现46亿年前太阳系行星诞生的初始过程。下图这张根据哈勃空间望远镜获取的数据制作的图像,揭示了NGC 1316的尘埃带和星团……

头发和长纤维充当了骨架,带正电的皮毛与带负电的合成纤维(如聚酯)相互吸引,像滚雪球一样扫荡沿途的微粒。这种结构极其蓬松,孔隙率极高,像是一个个微型的过滤网,进一步捕获空气中的悬浮物。
1994年,科学家Kindratenko甚至在研究气溶胶时发现,这些不规则的聚集体在显微镜下呈现出一种复杂的几何形状,他幽默地将其命名为“分形兔子”(Fractal Rabbits) [12] ,因为它们总是突然出现在数据模型中,就像变魔术一样。
虽然“尘兔”这个名字听起来人畜无害,但在特定环境下,它是致命的。
最著名的案例发生在1987年11月18日。英国伦敦国王十字地铁站(King's Cross)的一部木质自动扶梯下发生了火灾,最终导致31人死亡 [13] 。

随后的调查发现,长期以来,扶梯底部的运行轨道上积累了大量的“油脂、灰尘和纤维绒毛”(Grease, dust and fluff) [14] 。这些混合物形成了极易燃的燃料层。当一根未熄灭的火柴掉进扶梯缝隙后,并没有直接熄灭,而是引燃了这层“毛毡”。

更可怕的是,调查人员发现了一种此前未知的“沟槽效应”(Trench Effect)。火焰并没有向上燃烧,而是紧贴着扶梯的30度斜坡,像喷火器一样高速喷射,瞬间吞噬了整个售票大厅。那层不起眼的、由灰尘和纤维组成的“毛团”,是这场灾难最初的助燃剂。
在精密设备领域,灰尘团同样是噩梦。2014年,关于美国国家点火装置(NIF)的一份报告中提到,在其巨大的激光放大器内部,甚至也发现了“尘兔凝结物”(dust bunny condensate)。这些微小的污染物会吸收高能闪光灯的能量,瞬间变成微型等离子体,并在昂贵的激光玻璃上炸出比自身面积大50倍的弹坑[15]。
回到床底下那坨小毛絮,虽然美国人叫它“尘兔”,但在德国,它被称为“Wollmäuse”(羊毛老鼠);在法国,它是“moutons”(绵羊);而在匈牙利,人们管它叫“porcica”,意思是“灰尘小猫” 。

不过,如果你不想在床底下养这些“宠物”,物理学不会建议你用扫帚。
因为扫帚的清扫动作会打破灰尘团脆弱的静电平衡和机械纠缠,让里面的致敏颗粒重新悬浮到空气中。对付它们,你唯一可靠的工具是带有HEPA过滤网的吸尘器。
或者,干脆别趴到床底下去看,毕竟眼不见为净,也是一种生活智慧。

参考文献
[1]https://amichaelcollins.com/blog/what-are-dust-bunnies-and-made-of-and-where-did-they-come-from
[2]https://www.nature.com/articles/289592a0
[3]https://en.wikipedia.org/wiki/Stagnation_point
[4]https://www.scribd.com/document/556931115/Thermal-Tracking
[5]https://www.researchgate.net/publication/259453577_Wind_tunnel_study_and_numerical_simulation_of_dust_particle_resuspension_from_indoor_surfaces_in_turbulent_flows
[6]对于直径小于10微米的颗粒(如PM2.5或细小的皮屑碎片),沉降速度极小,通常小于室内气流的垂直分量。这意味着这些颗粒在开放空间中几乎也是永久悬浮的,随气流运动。然而,对于较大的颗粒(如螨虫粪便颗粒~20微米,或纤维团簇),沉降速度显著增加。当气流速度低于其悬浮阈值时,沉降即刻发生。
[7]https://www.researchgate.net/figure/Temperature-fields-under-the-recommended-supply-air-velocity-of-the-three-scenarios_fig4_276528878
[8]https://www.mdpi.com/2073-4433/14/4/612
[9]https://www.researchgate.net/figure/Schematic-picture-illustrating-the-growth-from-dust-to-planetesimal-sizes-Dust-of_fig1_395943908
[10]https://www.nature.com/articles/s41567-019-0728-9
[11]https://ieeexplore.ieee.org/document/4154884/
[12]https://onlinelibrary.wiley.com/doi/abs/10.1002/ppsc.19940110603
[13]https://www.fbu.org.uk/history/kings-cross-underground-fire
[14]https://www.theisrm.org/documents/Fennel%20(1988)%20Investigation%20Intointo%20the%20Kings%20Cross%20Fire.pdf
[15]https://www.google.com/search?newwindow=1&sca_esv=31d3cabc157c1d09&sxsrf=ANbL-n5oOZw6HpmJstxXTab76cfBZRvwqg:1768064721452&q=nif+dust+bunny+condensate+2014&source=lnms&fbs=ADc_l-Z6XGGbkKmpylZqg2J7ZOuVNvV7jKtLqzLZ63dd2zPtrlrkSDkQE0bh2n9b50yhQrnA7ecYmIRaq75SSWRhKWZ4ulKrYSJVQteebUIad0trCCx95EwkOQXefKVFhdUNFamBaZNhjg_P8FrdP4aYE4jOD3KZszKt8NDrIG5sa1i8oINwbEj0Soo9rV4gW_guernVlyOG&sa=X&ved=2ahUKEwit3aWtuoGSAxV9LUQIHQKLCmQQ0pQJegQIDxAB&biw=1512&bih=767&dpr=2&aic=0
本文经授权转载自(ID:AnimalOnEarth),如需二次转载请联系原作者。欢迎转发到朋友圈。
点个“小爱心”吧